2.1. ИСТОЧНИКИ
Жители территории Литвы в последних веках до и. э. — I в. н. э. копий с железными наконечниками еще не имели. Железо для изготовления оружия, в первую очередь для наконечников копий, начали использовать во II в. н. э.
В настоящее время с 219 археологических памятников на территории современной Литвы известно около 1260 наконечников копий II-VIII вв. Хронологически они распределяются так: в 45 грунтовых и курганных могильниках первых веков н. э. обнаружено около 210 экземпляров наконечников, в 174 грунтовых и курганных могильниках, на городищах и в кладах V-VIII вв. найдено около 1050 наконечников. Абсолютное большинство наконечников копий найдено в погребениях. Лишь несколько экземпляров известно из раскопок городищ и найдено в кладах.
Обычай класть копья в погребения впервые появляется в западной части Литвы — в ареале погребений с каменными венцами (122, карты 6, 7). В погребениях этого региона их обнаружено сравнительно много. Например, несколько десятков наконечников копий найдено в погребениях II-IV вв. в могильнике Курмайчяй (Кретингскнй р-н) (103, с. 98-99; 104, с. 364-365; 106), III в. —Паланги (188, с. 125-126), III-IV вв. — Шаркай (Шнлальский Р-н) (197).
В нескольких погребениях Курмайчянского могильника было даже по 3 наконечника в одном погребении. Несколько наконечников найдено в курганном могильнике II-III вв. Кашучяй (Кретингскнй р-н) (82, с. 67-70) и в находящемся там же грунтовом могильнике III-IV вв. (162), в погребениях III в. могильников Пляшкучяй (54),
III-IV вв. — Бандужяй (оба — в Клайпедском р-не) (143, с. 96, рис. 3), Лаздннинкай (59), Пришманчяй (146; 147, с. 179, рис. 1-3), Рудайчяй I и II (131; 132) (все — в Кретингском р-не) и Сенкай (Клайпедский р-н) (130). В других могильниках западной части Литвы, например, Барздунай (Шилутский р-н) (51, с. 116), Гинтарай (136), Падваряй (83, с. 46), Рякяте (148) (все — в Кретннгском p-не), Шернай (Шнлутский р-н) (49), найдены отдельные экземпляры наконечников копий первой половины I тысячелетия и. э. Данные о количестве наконечников копий, найденных в погребениях в различных частях территории Литвы, приводятся ниже:
| II-IV вв | V-VIII вв. | |
| Западная Литва | 96 | 291 |
| Центральная Жемайтня | 47 | 248 |
| Дельта Нямунаса | 8 | 64 |
| Северная Литва | 39 | 268 |
| Центральная Лнтоа | 15 | 6 |
| Восточная Лнтва | — | 150 |
| Южная Литва | 5 | 23 |
| Всего: | 210 | 1050 |
Не располагаем сведениями о количестве оружия, в том числе и о наконечниках копий, обнаруженных в погребениях II-IV вв. могильников Андуляй (Кретннгский р-н) и Аукшткемяй (Клайпедский р-н), хотя они широко исследовались в конце XIX -начале XX в. Данные результатов исследований не были опубликованы полностью, а материалы, хранившиеся в музее «Пруссия» в г. Кёнигсберге, во время второй мировой войны не уцелели.
На западе Литвы в середине I тысячелетия н. э. еще сохраняется традиция первых веков н. э. обкладывать погребения камнями. В мужских погребениях того времени попадаются по 1-2 наконечника копий. Со второй половины VI в. вышеупомянутые традиции погребального обряда постепенно исчезают, и в VII-VIII вв. умерших начинают хоронить в грунтовых могильниках без каменных венцов. Погребальный инвентарь становится богаче. В мужских погребениях чаще встречаются украшения, предметы быта, орудия труда, снаряжение воина и боевого коня, оружие. Почти в каждом мужском погребении (особенно с VIII в.) встречаются по 2 или 3 наконечника копий. Поэтому их обнаружено в могильниках довольно много. Но они очень плохо сохранились, часто невозможно восстановить не только форму пера, но и размеры, нельзя уточнить и другие данные, необходимые для определения их типа и датировки.
В западной части республики больше всего наконечников копий, датируемых серединой и второй половиной I тысячелетия н. э., найдено в могильнике Лаздининкай. Несколько десятков наконечников обнаружено также в погребениях V-VI вв. в могильниках Рякяте (148, рис. 2, 3, 5, 8, 17-19), Тубаусяй (163, рис. 12: 1,9, 10; 13: 13-15) (оба — в Кретингском р-не), V-VII вв. Рубокай (Шилутский р-н) (53, рис. 138), VI—VII вв. Курмайчяй-Пайоду-пис (Кретингскин р-н) (175). В других более поздних могильниках этого ареала, например, переходного периода от среднего железного века к периоду раннего феодализма Гиркаляй (Клайпедский р-н), Кашучяй (162), Кяу-лейкяй (62), Лайвяй, Пришманчяй (139, с. 7-60) (все — в Кретннгском р-не) и Паланга, почти в каждом мужском погребении встречается по 2-3 наконечника копий.
В Центральной Жемайтии и Северной Литве, на восток от ареала погребений с каменными венцами, в первых веках и. э. жители хоронили умерших в курганах.
В Центральной Жемайтни наконечников копий больше всего найдено в погребенияхх II-III вв. Застаучяйского (Мажейкскнй р-н) курганного могильника (209). Немало их обнаружено случайно в разрушенном кургане II-IV вв. в Паюралнсе (Шилальский р-н) (122, с. 78), а также при исследовании погребений III-IV вв. курганного могильника Жадувенай (Тельшяйский р-н) (208). По нескольку экземпляров было в курганных могильниках III-IV вв. Акмяняй (Кельмеский р-н) (133, с. 46-49), IV-V вв. Кальнишкяй, II-III вв. Сандраусншке (Расейнский р-н), Пяркунишке (Кельмеский р-н) (133, с. 49-50), II в. Венрагяй (Плунгеский р-н) (206), II-III вв. Висдергяй-Па-пелькяй (Шяуляйский р-н). В ряде курганных могильников II-IV вв. в Центральной Жемайтии обнаружены отдельные экземпляры наконечников копий.
Начиная с VI в. на территории этой части Литвы обычай сооружать курганы постепенно исчезает и умерших начинают хоронить в грунтовых могильниках. Например, в Застаучяй, рядом с курганами II-III вв., в IV-V вв. появляется грунтовой могильник, в мужских погребениях которого среди оружия преобладают копья (209, с. 76-78). Наконечниками копий богат грунтовой могильник V -начала IX в. Мауджёрай (Кельмеский р-н) (207; 210). В погребениях этого могильника попадаются по 2-3, реже по 4 наконечника, а в погребении VIII в. № 210 найдено даже 5 наконечников копий. Могильником с большим числом наконечников копий является и Паэжерис (Шилальский р-н), где в погребениях VII-VIII вв. обнаружено свыше 60 экземпляров этого оружия. В исследованных в меньшем объеме грунтовых могильниках V-VI вв. Саугиняй (Шяуляйский р-н), VII-VIII вв. Каштауналяй (Шилальский р-н) (205) обнаружено несколько десятков наконечников копий. Много оружия обнаружено и в могильнике V-VI вв. Пагрнбнс (Шилальский р-н). С других, еще неисследованных могильников V-VIII вв. этой части Литвы, например, ГІаклнбакяй (Кельмеский р-н), Пашяуше (Кельмеский р-н), Рннгувенай (Шяуляйский р-н), Шаукотас (Радвилишкский р-н), в фонды разных музеев Литовской ССР поступило еще несколько десятков наконечников копий.
В северной части Литовской ССР сведения для познания оружия балтов первых веков н. э. дали исследования курганного могильника III-IV вв. Муоришкян (Биржайский р-н) (128). Несколько наконечников копий найдено при исследовании курганов середины I тысячелетия в Берклайняй и Дауенай (Пасвальскнй р-н) (134; 135), Норкунай (Рокншкский р-н) (92; 93) и других местах.
С V-VI вв. в северной части Литвы начинают преобладать грунтовые могильники, в которых наконечников копий становится больше. Больше всего наконечников V-VIII вв. в этом регионе республики найдено при исследованиях могильника V-XI вв. Яунейкяй (Ионишкский р-н) (187; 194; 198). Например, в 137 погребениях V-VIII вв. собрано около 100 наконечников копий. Несколько десятков экземпляров было найдено также при исследовании погребений VII-начала IX в. в могильнике Линксмучяй (Пакруойский р-н) (185; 211), несколько — в могильнике VII-VIII вв. Памишкяй (Пасвальский р-н) (196), в Мял-диняй (Пакруойский р-н), в погребениях V-VII вв. С разрушенных могильников V-VIII вв. Линкайчяй, Линксменай-Курмайчяй, Рукуйжяй (все — в Ионишкском р-не) и других в музейные коллекции поступило еще несколько десятков наконечников копий.
Мало данных о наконечниках копий имеем из дельты Нямуиаса. Самые ранние, датируемые первыми веками н. э., происходят из могильников Грейженай (Таурагскнй р-н) (50) и Лумпенай (Шнлутский р-н) (52). Могильников более позднего времени — V-VIII вв., в которых обнаружены наконечники копий, известно мало, и они исследовались в небольшом объеме. Из них можно упомянуть те же могильники Грейженай и Лумпенай. Гораздо больше сведений дали погребения VII-VIII вв. могильника Юргайчяй (Шилутский р-н) (142, с. 107) и VIII в. могильника Вилку Кампас (Шилутский р-н) (141, с. 49).
Неизвестно, сколько оружия обнаружено в могильнике VII-XIII вв. Вежайчяй (Шилутский р-н), где было вскрыто около 875 (?) погребений (122, с. 121). Богатый погребальный инвентарь, найденный в них, до 1945 г. хранился в музее «Пруссия» в г. Кёнигсберге, а случайные находки — в фондах музеев Берлина и краеведческого музея Шилуте.
В ареале грунтовых могильников Центральной Литвы наконечников копий первой половины I тысячелетия н. э. больше всего обнаружено в погребениях III-IV вв. могильника Лауксвндай (Каунасский р-н). В них было найдено 9 экземпляров наконечников. В других могильниках — II в. Саргенай (г. Каунас), III-IV вв. Серяджюс (Юрбаркскнй р-н) (160, с. 217-218; 191, с. 173), IV в. Эйгуляй (г. Каунас) — найдены лишь отдельные экземпляры наконечников копий. Например, в Саргенай в 342 погребениях середины I-II вв. обнаружен только одни наконечник копья. Вообще в могильниках Центральной Литвы по сравнению с могильниками других частей республики наконечников копий II-IV вв. найдено очень мало. Такое же положение и с погребениями середины и второй половины I тысячелетия. Мужские погребения ареала Центральной Литвы этого времени оружием очень бедны. Например, в могильнике Плинкайгалис (Кедайн-скнй р-н) вскрыто 361 погребение V-VI вв. и 8 погребений VII в. Наконечники копий были найдены только в одном погребении VI в. и в трех VII в. По одному наконечнику копья найдено в могильнике IV-V вв. Гринюнай (Паневежский р-н) (192) и в могильнике V-VI вв. Кай-ренеляй (Радвилишкский р-н) (174). В некоторых могильниках, например, в Упите (Паневежский р-н), в погребениях III-V вв. не обнаружено никакого оружия.
Такое же положение и в восточной части Литвы. Мало что можно сказать о копьях первых веков и. э., потому что в ареале культуры штрихованной керамики погребения не известны. В конце IV-начале V в. в этой части республики появляются и распространяются курганы с трупоположениями, а со второй половины V в.— и с тру-посожженнями, в которых уже появляется оружие, в том числе копья. Наконечники в очень хорошей сохранности, так как при кремации они законсервировались. Больше всего наконечников копий обнаружено в курганном могильнике Няравай-Григишкес (Тракайский р-н), в погребениях V-VIII вв. (116; 117). В курганах V-VI вв. Тау-рапилис (Утенский р-н) (193, рис. 22, 36: 1, 42:2, 44 :3), V-VIII вв. Памусяй (Варенский р-н) (178; 115) и Суда-та (Швенчёнский р-н), VI-VII вв. Парайсчяй (Вильнюсский р-н), Кармазннай (Вильнюсский р-н) (61), VII-VIII вв. Пабаре (Шальчининкский р-н) (86; ИЗ, с. 67), и VIII в. Пучкалаукис (Вильнюсский р-н) (85) обнаружено по несколько наконечников копий. Еще несколько экземпляров найдено и в других курганных могильниках V-VIII вв. Восточной Литвы, например, Аукштейи Русокай (Вильнюсский р-н), Дукштас (Игналинский р-н), Дуснненай (Вильнюсский р-н), Крятуоннс (Швенчёнский р-н) (60), Жвирбляй (Вильнюсский р-н) и др. Несмотря на большое количество раскопанных курганов и найденных в них погребений (112, с. 543-546, 555-558; 122; 30, с. 128-153), в восточной части Литвы обнаружено только около 150 наконечников копий V-VIII вв. (см. с. 13).
В курганах южной части Литвы и южного Занеманья, которые сооружены из камней и земли и принадлежат одному из племен ятвягов, оружия немного. Погребениями первых веков н. э. эта часть республики небогата. Исследовался только частично курганный могильник I-II вв. в Пажарстисе (Пренайский р-н), где найден один наконечник копья. В последнее время при исследовании курганных могильников середины и второй половины I тысячелетия в Вилькяутинисе (Варенский р-н) (102; 109), Эй-тулёнисе (Тракайский р-н) (57), Папишкесс (Варенский р-н) (108; 127) в погребениях найдено несколько наконечников копий. Еще несколько экземпляров наконечников середины и второй половины I тысячелетия н. э. в музеи поступило из кургана IV-V вв. Меджёнис (Пренайский р-н) (38, с. 139), кургана V-VI вв. Визгинай (Кайшядорский р-н) и VI-VII вв. Забелишке (Шальчинннкский р-н).
Если в курганных и грунтовых могильниках первых веков н. э. копий в мужских погребениях еще мало — изредка попадаются 2 и очень редко 3 копья в одном погребении, то с середины I тысячелетия положение существенно меняется. С V-VI вв. в большей части Литвы копье становится основным оружием и часто кладется в погребения (97, с. 37). Значительно увеличивается количество наконечников копий в археологических памятниках не только на всей территории Литвы, но и в отдельных могильниках. В V-VI вв. уже преобладают погребения с двумя копьями, в VI-VII вв. иногда кладется и по 3-4 или даже по 5 копий в одно погребение. Копья этого времени были с наконечниками разной формы и величины, что указывает на разнообразие их назначения. Воины, видимо, имели комплекты копий — для метания и для удара с близкого расстояния. Начиная бой, они пользовались метательными копьями, потом, уже с близкого расстояния, вступали в схватку. Копья с маленьким, узким пером и легкими наконечниками больше подходили для метания. Ими приостанавливалось нападение противника. А копья, имевшие наконечник с большим, широким пером, подходили для поражения с близкого расстояния. Они наносили огромные сильно кровоточащие рваные раны, от которых воины противника быстро ослабевали и выходили из строя. Для некоторых соседствовавших с балтами племен основным оружием были метательные копья, хотя воины были вооружены копьями разного назначения (13, с. 6).
2.2. Положение копий в погребениях
На территории современной Литвы в погребения первых веков н. э. копья клались довольно редко, и поэтому их положение в погребениях еще не установлено. Почти всегда наконечники обнаруживаются с левой или с правой стороны, реже в ногах и в исключительных случаях у бедра. Иногда наконечники обнаруживаются над скелетом, поэтому следует считать, что копья клались на крышку гроба или рядом с ним. Но в большинстве случаев наконечники обнаружены в таком положении, что без сомнения можно считать: копья клали в гроб с древками возле умершего (рис. 1).
В погребениях II-IV вв. Западной и Средней Литвы и Центральной Жемайтии наконечники копий чаще всего обнаруживаются в изголовьи (Гинтарай, Застаучяй, Жа-дувенай, Курмайчяй, Лауксвидан, Паланга, Рудайчяй I и II и др.). В северной части Литвы (Муоришкяй) копья найдены и в ногах, вместе с орудиями труда. Копья и топоры в погребения клались так, что лезвие топора соприкасалось с голенью, а перо наконечника — с обухом топора. Древко и топорище обращены к изголовью (128, с. 90). С конца IV-V в. копий в погребениях становится больше, формы и размеры наконечников — разнообразнее. На всей территории Литвы преобладает обычаи копья в погребения класть наконечниками в изголовья умершего. Только в Восточной Литве в погребениях с трупоположеннями конца IV-начала V в. наконечники встречаются и в изголовьи (Мигоннс, курган № 14) и в ногах (Дягсне-Лаботишкес, Молетский р-н, курган № 5; Таурапилис, курганы № 1, 5, 9 и погребение в раскопе Н). В других частях Литвы погребения с наконечниками копий у ног — редкое исключение. Например, копья с наконечниками у ног умерших обнаружены только в могильниках Мауджёрай, в погребениях № 6, 38, 111, и Яунейкяй, в погребении № 22. В начале обряда трупосожжения копья в погребения клали сверху, на сожженные кости, вместе с другим погребальным инвентарем, только после трупосожжения. На это указывают остатки древков во втулках наконечников и то, что сами наконечники не обожжены. Иногда их просто втыкали в землю остриями вниз рядом с другим инвентарем и кремированными костями (рис. 2,3).
Некоторые исследователи считают, что копья, лежавшие с левой стороны умершего, принадлежали воину-левше (47, с. 163). Такое мнение недостаточно обосновано. На примере литовских погребений можно утверждать, что копья в погребения могильников территории Литвы клались с левой стороны умерших чаще, чем с правой. Например, в могильнике Яунейкяй в 50 погребениях наконечники обнаружены с левой стороны у головы, а в 45 — с правой. В могильнике Кяулейкяй в 16 погребениях копья найдены с левой стороны и только в одном — с правой. Такое же положение и в большинстве других могильников. Возможно, что копья, которые клались с левой стороны, принадлежали «праворуким» воинам, потому что во время похода удобнее было держать копье в левой руке, а в бою держали его в правой руке, и наоборот — воины-левши несли их в правой руке, а сражались, держа в левой. Кроме того, положение копья в погребении с одной стороны или с другой стороны умершего могло иметь и случайный характер.
То, что копья клались в погребения или в гроб с древками, дает возможность установить приблизительную длину, а по диаметру втулки наконечника — и толщину древка. Длина погребальных ям для взрослых бывает от 200 до 250 см, гробов — до 200, реже до 220 см. Таким образом, и древки копий не могли быть длиннее ямы или гроба, скорее всего они были длиной около 150-180 см. Кроме того, длину древка определяло и назначение копья. Если оно было метательным, то древко было короче и легче. Прочность копья имела второстепенное значение, так как метательное копье использовалось только одни раз. Иногда наконечник копья встречается и в середине погребальной ямы, у пояса умершего (Гринюнай). Видимо, потому что древко иногда ломали в ритуальных целях. Толщина древка, судя по диаметру втулки, была приблизительно около 2-3 см, а наконечников копий с длинным, широким пером — до 4 см.
2.3. Классификация наконечников копий
О большинстве исследованных памятников II-VIII вв. опубликованы очень сжатые данные, упоминается лишь объем раскопок, перечисляются находки и указывается хронология (45). Обнаруженное в них оружие подробнее не охарактеризовано. В некоторых других публикациях авторы характеризуют оружие, в том числе и наконечники копий, в общих чертах: указывают длину и иногда форму пера. Например, наконечники, найденные в могильнике Рудайчяй II, охарактеризованы как разные по размеру и форме пера (132, с. 63-64, рис. 7:2, 4, 6), наконечники из Пришманчяй — как отличающиеся массивностью форм, с широкими гранеными перьями (147, с. 139-140, рис. 1:1; 2:2, 3; 3:1, 3), а наконечники из Курмайчяй — как большие с широкими и длинными перьями и короткими втулками (104, с. 338) и т. д. Датируя это оружие, авторы ограничиваются общей хронологией курганного или грунтового могильника, например I-IV или II-IV вв. Погребения с копьями подробнее не датируются. Более конкретно охарактеризованы форма и хронология наконечников копий из могильников V-VIII вв. Например, наконечники, обнаруженные в Рякяте, делятся на 3 вида: V-VI вв. с пером лавролистообразной формы и с пером в форме вытянутого ромба, VI-VII вв. с профилированным пером (148, с. 167-168); из могильника Мауджёрай рубежа IV-V вв. наконечники с граненым пером в форме вытянутого ромба, V в. с пером ромбовидной формы, коротким пером и длинной втулкой, V-VI вв. с профилированным пером и V-IX вв. датируются наконечники с пером иво-листообразной формы (207). Наконечники из Линксмучяй разделены на 2 группы: втульчатые и черешковые. Втульчатые наконечники разделены на формы: с пером иволис-тообразной и лавролистообразной формы, ланцетовидные, с плоским пером и с граненым пером. Датируются VII-X вв. Черешковые бывают с пером лавролистообразной формы. Датируются VIII-началом IX в. (211, с. 300-306). Отсутствие исчерпывающей типологии наконечников копий II-VIII вв. вносит путаницу, когда обнаруженные в каждом курганном или грунтовом могильнике наконечники начинают разделять на новые формы или типы, или те же самые называют по-разному. В настоящее время уже имеется основа для детального типологического анализа наконечников копий II-VIII вв.
На территории Литовской ССР в археологических памятниках II-VIII вв., в грунтовых и курганных могильниках, на городищах и в кладах, обнаружено около 1260 наконечников копий. Около 800 из них сохранились хорошо или все же настолько, чтобы можно было восстановить их форму и размеры. Остальные, особенно найденные в западной части Литвы, превратились в неопознаваемые куски ржавчины, н не представляется возможным не только проследить форму пера и уточнить поперечное сечение, но даже приблизительно установить размеры наконечников. Кроме того, несколько десятков наконечников копий известны из публикаций русских и немецких археологов, которые в конце XIX -начале XX в. интенсивно исследовали курганные и грунтовые могильники, а также городища в Восточной и Западной Литве. Отсутствие рисунков или фото обнаруженных наконечников не позволяет ни сосчитать их, ни причислить к тому или иному типу или подтипу.
По насадке на древко выделяем 2 группы наконечников копий II-VIII вв.: I — втульчатые — надеваемые на древко, II — черешковые — вбиваемые в древко. На типы наконечники разделяем по форме пера. При выделении подтипов внимание обращено и на второстепенные признаки: поперечное сечение пера, соотношение пера с втулкой или черешком, величину наконечников.
Втульчатые наконечники
Втульчатые наконечники составляют абсолютное большинство, около 1180 экземпляров. Они разделены на 9 типов и 7 подтипов с вариантами.
Тип первый
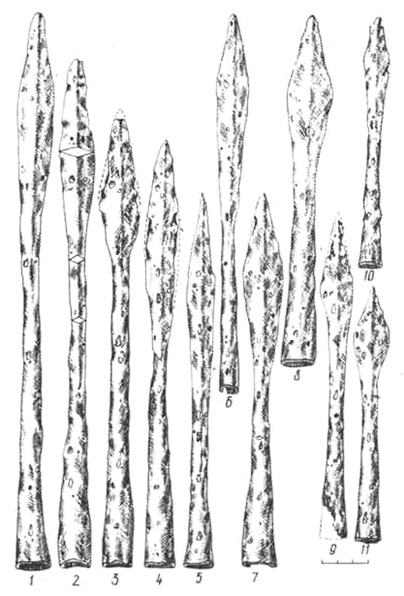
Наконечники с пером ромбовидной формы (240 экз.) (рис. 4, 5, 7, 8, 9, 10, 12).
Наконечники этого типа разделяются на 5 подтипов — 1А, Б, В, Г, Д и 2 варианта —ІБ и ІД.
ІА — наконечники с коротким ромбовидным граненым пером и длинной втулкой (19 экз.) (рис. 4).
Длина наконечников 12,5-19,5 см, ширина пера 2,5-4 см. Соотношение втулки и пера от 1,5:1 до 1:1. Край пера некоторых наконечников округленный, видимо, от затачивания и напоминает короткое перо листообразной формы.
Наконечники копий этого подтипа обнаружены в 11 могильниках Западной Литвы и Центральной Жемайтии (карта I), в погребениях III в. н. э. вместе с шейными гривнами с низкими конусовидными концами (Курмайчяй, погр. № 14), с перекладчатыми фибулами (Курмайчяй, погр. № 14) не арбалетовидными с подогнутой ножкой (Бандужяй, погр. № 5), с монетами Римской империи (Бандужяй, погр. № 5; Курмайчяй, погр. № 14; Паланга, погр. № 10, 12). Например, в погребении № 12 Палангского могильника обнаружен наконечник копья длиной 12 см с пером шириной 2,5 см, сестерций Антонина Пия и другой инвентарь III в.* (188, с. 135, рис. 2). В Бандужяй, в погребении № 5, найдены 2 наконечника — длиной 12.5 и 16 см с перьями шириной 2.5 и 3,5 см (рис. 4:3, 4), бронзовая арбалетовндная фибула с подогнутой ножкой и 3 римских сестерция: Фаустнны II, Комода и Антонинов (143, с. 96, рис. 3:4-6). Только один наконечник подтипа IА обнаружен и в северной части Литвы, в Муорикяй, в кургане №5, в погребении в погребении № 9 (рис. 4:8). В погребениях IV в. эти наконечники копий не встречаются.
Подобные наконечники найдены и на соседних с Литвой территориях балтских племен. Например, в Латвийской ССР — в могильниках Маскатужн, Слате, Яун-Серпнлнс (137, с. 510-513, рис. 77:2, табл. XXXVII: 4, 5, 7; 119, табл. 27:7). Обнаружены они также и в бывшей Восточной Пруссии, в местности Гох-Шнакейкен (67, с. 25, рнс. 3:4). Датируются первой половиной I тысячелетия и. э.
ІБ — наконечники с граненым пером в форме вытянутого ромба (54 экз.) (рис. 5).
Длина наконечников — 14,4-35,5 см, ширина пера 3-6 см, в редких случаях до 7-8 см. Основной признак наконечников этого подтипа, отличающий их от подтипа IА, более вытянутое, длиннее втулки перо. Соотношение втулки и пера 1:1 до 1:1,5.
1. Акмяняй, кург. № 3. погр. № 3; 2, 4, 12. Застаучяй, кург. № 7. погр. № 3, 16; 3, 8, 10, 11. Шаркай, случ. нах.. погр. № 31; 5. Марвеле. случ. нах.; 6. Шяудаляй, случ. нах.; 7. Кашучяй, кург. № 29; 9, 13. Жодувенай, погр. № 30
Они обнаружены в 31 могильнике (карта II). Распространены в основном в Западной Литве и Центральной Жемайтии в погребениях III-IV вв. Реже встречаются в Средней Литве, а отдельные экземпляры обнаружены в северной и восточной частях Литвы. В погребениях встречаются вместе с шейными гривнами с грибовидными (Застаучяй, курган № 7, погр. № 1), низкими конусовидными концами (Акмяняй, курган № 2, погр. № 3; Курмайчяй, погр. № 14; Сенкай, погр. № 10), с профилированными (Пяркунншке, курган № 1, погр. № 4) и перекладчатыми фибулами (Курмайчяй, погр. № 14; Пришманчяй, погр. № 2; Сенкай, погр. № 10; Шаркай, погр. № 22), с римскими монетами (Курмайчяй, погр. № 14; Пришманчяй, погр. № 2). Некоторые наконечники из Средней и Восточной Литвы датируются IV-началом V в., потому, что найдены с ложковидной шейной гривной и арбалетовндной фибулой с длинной ножкой (Лауксвидай, погр. № 17) или на позднюю их датировку указывает обряд погребения (Мигонис, курган № 14).
В погребениях III в. еще не установившаяся форма и размеры наконечников подтипа ІБ. Оружейники продолжали поиски более совершенной формы, соотношения между втулкой и пером, размера. Например, в Акмяняй, в кургане № 3, в погребении № 3, найден наконечник длиной 19 см с пером шириной 3 см и с высоко поднятыми плечиками (рис. 5:1), в Застаучяй, в погребении № 15, обнаружен наконечник длиной 32 см с пером шириной 6,5 см, с низко опущенными плечиками (рис. 5 : 12). Наконечники более совершенной формы изготовлялись начиная с IV в. Это оружие средних размеров, длиной около 20 см, с плечиками, поднятыми к середине пера. Такие наконечники найдены в Ми гон нее (212, рис. 20), Шаркай, погр. № 22 и 31, Жадувенай, погр. № 28 и 30, случайная находка из Марвяле (г. Каунас) и др. Например в Шаркай, в погребении № 22, найден наконечник копья длиной 20 см с пером шириной 3,8 см. Вместе с ним в погребении нашли бронзовую иерекладчатую фибулу и другой инвентарь (рис. 6). В погребении № 31 того же могильника обнаружен наконечник длиной 19 см с пером 4 см шириной (рис. 5:8). Жадувенские наконечники имеют 20,2 и 23,3 см в длину, перо шириной 4,8 и 3,4 см (рис. 5:9, 13). Из обнаруженных в Марвяле длина лучше сохранившегося наконечника 22 см, ширина пера 5 см (рис. 5:5). Как видно, эти наконечники копий являются более совершенной формой подтипа ІА.
Наконечники в форме вытянутого ромба с граненым пером найдены на территории к юго-западу от Литвы, в бывшей Восточной Пруссии, в могильниках местностей Гребитен (78, табл. VI: 5), Альт-Мунтовен и Кирпенен (73, рис. 195:6, 196: а). Датируются III-IV вв. Они известны в северо-западной части Польской Народной Республики, в воеводстве Су валки, в погребениях III-IV вв. курганного могильника Жива Вода (219, табл. VII : 15, VIII: 21, XI :6). Отдельные экземпляры таких наконечников обнаружены в погребениях III в. носителей пшеворской культуры (68, рис. 35).
Как вариант подтипа ІБ можно отметить 5 наконечников с гранеными перьями в форме вытянутого ромба, удлиненным острием и короткой втулкой (рис. 7). Длина наконечников 27-49 см, ширина пера 4,7-7 см. Поперечное сечение острия пера в форме четырехугольной звездочки. Такие наконечники обнаружены в погребениях V в. в Центральной Жемайтии и один в Западной Литве (карта И) вместе с шейными гривнами с концами, обмотанными проволокой, с петлей и крючком на конце (Велуйкяй; Мауджёрай, погр. № 40; Рякяте, погр. № 33), с гривной с застежкой с прорезью в виде замочной скважины (Велуйкяй), с бронзовыми арбалетовидными фибулами: со звездообразной, с кнопкой над спиралью (Рякяте, погр. № 33), с подогнутой ножкой (Мауджёрай, погр. № 6, 40). Место находки одного наконечника неизвестно. Он хранится в Шяуляйском музее истории и этнографии «Аушра», куда попал скорее всего с территории Центральной Жемайтии. Аналогичные наконечники копий на соседних территориях не обнаружены.
IB — наконечники с пером в форме вытянутого ромба и низко опущенными плечиками (12 экз.) (рис. 8).
Длина наконечников 16,8-28,7 см, ширина пера 2,8-4 см. Перо узкое, с поперечным сечением в виде вытянутого ромба, плечики низко опущены и выявлены. Соотношение втулки и пера 1:1. От вышеописанных подтипов эти наконечники отличаются узостью и плоскостью пера.
1, 4, 5, 6. Муоришкяй. кург. № 1, погр. № 3. кург. № 5. погр. № 16. кург. № 10, погр. № 11; 2. Эйгуляй, погр. № 17; 3, 7. Застаучяй, погр. № 3, 13
Обнаружены они в 6 могильниках Северной и Средней Литвы, а единичные экземляры также в Западной Литве (карта III). В погребениях они найдены вместе с шейными гривнами с конусовидными концами (Муоришкяй, курган № 5, погр. № 7), с перекладчатыми фибулами (Зас-таучяй, погр. № 13) и с арбалетовидными фибулами с перекладинами (Курмайчяй-Пайодупис, погр. № 3), с браслетами с шестигранным поперечным сечением и очкообразным орнаментом (Муоришкяй, курган № 1, погр. № 3), с ленточными треугольного поперечного сечения (Муоришкяй, курган № 5, погр. № 10; Застаучяй, погр. № 13) и с другим инвентарем III-IV вв. Например, один из более ранних и более характерных наконечников этого подтипа найден в Застаучяй, в погребении № 13. В этом погребении найдены: наконечник длиной 24,8 см с пером шириной 3,9 см (рис. 8:7), бронзовый ленточный браслет треугольного поперечного сечения, перекладчатая фибула III в. и другой инвентарь. Самым поздним можно считать наконечник, обнаруженный на западе Литвы, в могильнике Курмайчяй-Пайодупис, в погребении № 3. Он был найден вместе с бронзовой арбалетовидной фибулой с перекладинами, датируемой VI в.
Наконечники этого подтипа в Литве немногочисленны. Не характерны они также и для других земель балтских племен, где обнаружены только отдельные экземпляры, как например, в Латвии (137, табл. XXXIII:2, 3).
ІГ — наконечники с широким плоским ромбовидным пером (74 экз.) (рис. 9).
Длина наконечников 10,6-35 см, ширина пера 3-6 см. Поперечное сечение пера в форме вытянутого ромба или линзовндное. Соотношение втулки и пера от 1:1,5 до 1:1. Характерная черта этих наконечников — удлиненная втулка и еще более плоское перо.
Обнаружены на всей территории Литвы: в 39 курганных и грунтовых могильниках в погребениях IV-VII вв. с трупоположениями и трупосожжениямн, но особенно характерны для погребений с трупосожжениямн второй половины V-VI вв. в восточной части Литвы (карта IV). Форма наконечников с этой территории наиболее совершенна.
1, 7, 8. Няравай-Григишкес. кург. № 13, погр. № 2, кург. № 38. погр. № 2. кург. № 40. погр. № 1: 2. Каштауналяй, погр. № 26; 3. Пяркаляй, случ. нах.; 4. Жвирбляй. случ. нах.; 5. Попай, кург. № 24, погр. № I; 6. Акмяняй. кург. ЛЬ 5; 9. Муорншкяй, кург. № 4. погр. № 6; 10. Кремала, погр. № 16; II. Парайсчяй. кург. № 2. погр. № 2
В погребениях они обнаружены вместе с шейными гривнами с высокими конусовидными концами (Застаучяй, погр. № 17), с петлей и крючком на концах (Кремала, погр. № 15), с арбалетовидными фибулами с подогнутой ножкой (Бандужяй, погр. № 10; Граужяй, погр. № 43; Кремала, погр. № 15; Рякяте, погр. № 21; Таурапилис, курган № 5), с треугольной ножкой (Норкунай, курган № 2, погр. № 3), с кольчатой фибулой (Рякяте, погр. № 21), с ленточными браслетами треугольного поперечного сечения (Внсдергян-Папелькяй, курган № Г, погр. № а; Днржяй, погр. № 3), с утолщающимися концами (Кремала, погр. № 15) и с другим инвентарем IV-VII вв.
Самые ранние из таких наконечников найдены в Центральной Жемайтнн и в северной части Литвы, это указывает на их генетическую связь с наконечниками подтипов ІА, Б и В. Например, в Застаучяй, в погребении № 17, найден наконечник длиной 19 см с пером шириной 3,5 см, бронзовая шейная гривна с конусовидными концами и ленточный браслет с треугольным поперечным сечением. В Днржяй, в погребении № 3, обнаружен наконечник длиной 17 см с пером шириной 3 см, бронзовый ленточный браслет и другие изделия IV в. (145, рис. 5). Это один из самых ранних наконечников подтипа ІГ. Наиболее совершенная форма у наконечников, обнаруженных в погребениях V-VII вв. в курганном могильнике Няравай-Григишкес. Так например, в кургане № 13, в погребении № 2, найден наконечник копья длиной 35 см с пером шириной 5,6 см (рис. 9:1), в кургане № 40, в погребении № 1 — наконечник длиной 30 см с пером шириной 4,5 см (рис. 9:8), а в кургане № 19, в погребении № 1 — длиной 28 см с пером шириной 4,5 см. С VII в. эта форма наконечников копий в восточной части республики постепенно исчезает, уступая место наконечникам с иволистообразной формой пера.
Ареал распространения наконечников копий с широким плоским ромбовидным пером весьма обширен. Такие наконечники найдены в погребениях III-IV вв. могильников Гайлиши, Мелдеришкн, Оши, Сауснея в Латвийской ССР (137, рис. 76:2, 3; табл. XXXVII : 28; 119, табл. 29: 9, 31 : 11, 12; 39: 13), а также в погребениях V-VI вв. курганного могильника восточнолитовского типа Черная Лужа в западной части Белоруссии (6, с. 127, рис. 52 : 1, 4; 112, рис. 214:4). Единичные экземпляры встречаются на территории ятвяжских племен в Польской Народной Республике, в погребениях III-IV вв. курганного могильника Осова (89, табл. VII: 6; 159, табл. XXXIV: 23), в древнепрусских могильниках того же времени в Альт-Мунтовен и Зигесдикен в бывшей Восточной Пруссии (73, рис. 195 : д; 159, табл. XXXIII : 16). Почти такие же известны в Финляндии (101, рис. 308). Для славянских племен они не характерны. Обнаруживаются такие наконечники и в могильниках марийских и мордовских племен, разные варианты которых датируются VI-X вв. (33, с. 71, рис. 1 : 10; 2:1, 2; 14, рис. 48:1, 52:3). Вообще наконечники копий с пером ромбовидной формы широко распространились на больших территориях в VI-VIII вв. (13, с. 12).
ІД— наконечники с маленьким ромбовидным пером и длинной втулкой (71 экз.) (рис. 10).
Длина наконечников 10,5-40 см, ширина пера 1,5-3,4 см. Поперечное сечение пера в форме вытянутого ромба или, реже, линзовидное. Втулки большинства наконечников у пера в поперечном сечении становятся ромбовиднымн. Перо во втулку входит плавно, выявленная ромбо-видность пера постепенно исчезает. Наиболее характерная черта этих наконечников – длинные втулки. Соотношение втулки и пера от 2:1 до 5:1.
1. Диржяй, случ. нах.; 2-3, 10. Жеймялис, случ. нах.; 4. Вилку Кампас. погр. № 4; 5, в. Яунейкяй. случ. нах., погр. Ν» 446; 7. Мауджёрай, погр. Wt 204; в. Бандужяй. погр. М 4; 9. Мельдиняй, погр. № 1; 11. Шукёиис, случ. нах.
Обнаружены в 33 могильниках Центральной Жемайтии и Северной Литвы, единичные экземпляры встречаются и в Западной Литве (карта V). Такие наконечники совсем неизвестны в курганных и грунтовых могильниках Средней и Восточной Литвы. В погребениях конца VI-VIII в. обнаруживаются в комплектах вместе с шейными гривнами с тордированной дужкой с крючком и петлей на концах (Кибуряй, погр. № 1; Яунейкяй, погр. № 390), с арба-летовидными фибулами с ножкой в виде звериной головы (Яунейкяй, погр. № 390, 466), с длинной ножкой (Яунейкяй, погр. № 413), с головками в виде маковых коробочек (Мауджёрай, погр. № 204), с булавками с треугольной (Яунейкяй, погр. № 344), с кольцевидной головками (Лннксмучяй, погр. № 28; Мауджёрай, погр. № 210, 246), с браслетами с утолщающимися концами (Кибуряй, погр. № 1) и с другими изделиями VI-VIII вв. (рис. 11).
Если в Восточной Литве с конца VI в. производство наконечников с пером ромбовидной формы (ІГ) прекратилось, то в Центральной Жемайтии и Северной Литве постепенно начинают преобладать наконечники подтипа ІД. Один из более ранних таких наконечников найден в Яунейкяй, в погребении № 466, в комплекте с бронзовой арбалетовидной фибулой с ножкой в виде звериной головы, датируется VI в. Длина наконечника 23 см, ширина пера 2,2 см (рис. 10:6). Они больше применялись в VII-VIII вв. Своеобразный наконечник найден в Линксмучяй, в погребении VIII в. № 28. Его длина 28 см, ширина пера около 2 см, втулка тордированная. Вместе с ним в комплекте были бронзовая булавка с кольцевидной головкой, черешковый наконечник копья и широкий боевой нож-меч. До сих пор множество таких наконечников было обнаружено случайно или места их находки совсем неизвестны. Исследования погребальных памятников в северной части Литвы (Кибуряй, Линксмучяй, Яунейкяй) и в Центральной Жемайтии (Мауджёрай, Паэжерис) позволили уточнить хронологию и территорию распространения этих наконечников.
Таким образом, наконечники копий подтипа ІД развивались, продолжая традиции наконечников с ромбовидной формой пера, и бытовали в VI-VIII вв.
Копья с подобными наконечниками были распространены на территории всей Прибалтики. Много их в погребениях VII-IX вв. в могильниках Гробиня, Калниешн (151, табл. 41 :257; 203, табл. 10: 1-3, 12:2, 13:4, 14 :5). в культурном слое того же периода городища Кенте, Латвийская ССР (119, табл. 39:22; 177, табл. 6:19, 29). Один такой наконечник найден в могильнике Линкунай, на левом берегу р. Нямунас (Советский р-н, Калининградская обл.), в погребении VII в. № 226. Вместе с ним обнаружена арбалетовндная фибула с перекладинами и другой инвентарь (166, с. 187-188). В этот могильник наконечник попал, по-видимому, из Литвы, из ареала Центральной Жемайтии.
Как вариант подтипа ІД должны отметить 5 наконечников с длинным, узким в форме вытянутого ромба пером и длинной втулкой (рис. 12, карта V). Длина наконечников 26-44,5 см, ширина пера 2-3,5 см. Поперечное сечение пера — вытянутый ромб. Три таких наконечника найдены случайно в Северной Литве, в могильниках Яунейкяй (2 экз.) и Линксменай-Курмайчяй (1 экз.), один — в Западной Литве, в Курмайчяй-Пайодупис, в погр. № 2, вне комплекта, и один — случайная находка из Центральной Жемайтии, из могильника Пагрибнс.
Такие же наконечники найдены в могильнике Калние-шн II (Екабпилсский р-н, Латвийская ССР) в погребениях № 2 и 4, вместе с изделиями второй половины VIII в. (203, с. 40-41, табл. 21 : 1, 2). Похожие известны и на территории Эстонии, датируются они VI-VII вв. (125, с. 122, рис. 5 : 4-7). Таким образом, обнаруженные на территории Литвы наконечники варианта ІД также должны быть датированы VI-VIII вв.
Наконечники копий с ромбовидной формой пера на территории Литвы наиболее многочисленны и ранние. Они изготовлялись уже в III в. До VIII в. эта форма наконечников, особенно «рабочая» часть — перо, часто менялась: перо удлинялось или укорачивалось, сужалось или расширялось. На данном этапе исследования можно проследить некоторые закономерности изменения формы наконечников как на всей территории Литвы, так и в отдельных ее частях.
Для наконечников первой половины I тысячелетия характерны граненые короткие (ІА) или удлиненные (ІБ) перья. Такие формы распространились в основном в западной части Литвы и в Центральной Жемайтии. Только единичные экземпляры найдены в других частях республики. Начиная с конца III-IV в. появляются первые наконечники с плоским пером (IB). С IV-V вв. граненые перья исчезают окончательно и по всей Литве распространяются наконечники с широкими, плоскими ромбовидными перьями, поперечное сечение которых — сильно вытянутый ромб или, реже, линзовидное (IГ). Для наконечников Восточной Литвы характерна абсолютная завершенность форм, но приблизительно в VIII в. она постепенно становится архаичной и исчезает. В это время, в VI-VIII вв., в Северной Литве и Центральной Жемайтии уже изготавливаются наконечники с маленьким пером и длинной втулкой и, как отдельный вариант, наконечники с узким, длинным пером в форме вытянутого ромба и длинной втулкой. В развитии наконечников копий с ромбовидным пером замечаются удлинения за Счет пера, также сужения и уплощения пера. С IX в. эти наконечники на территории Литвы становятся непопулярными и постепенно уступают место наконечникам других форм.
Говоря о происхождении наконечников копий с ромбовидной формой пера, надо отметить, что для соседних с балтами германских племен, финно-угров, носителей пшеворской культуры наконечники копий с пером ромбовидной формы не характерны. Для вооружения вышеупомянутых племен более характерны наконечники копий с пером округлой и листовидной формы (84, с. 49-99, рис. 37, с. 112, 117, 118, рис. 204, табл.; 150; 152; 167, с. 130-142, табл.; 101; 166, с. 164-251, рис.. табл.; 75, с. 40-61, табл.; 68, с. 69-85, рис.; 159, с. 78, рис. 12, табл. IX: 5-8, XI : 3, 4, 6-8).
Как в Литве, так и на других территориях балтских племен наконечники копий с пером ромбовидной формы широко распространялись с первых веков н. э. Поэтому можно утверждать, что наконечники этой формы происходят с территории балтских племен.
Тип второй
Наконечники с профилированным пером (146 экз.) (рис. 13).
Длина наконечников 11,7-45,5 см, ширина пера 2,5-7,4 см. Поперечное сечение пера — вытянутый ромб, линзовидное или граненое. Плечики выявлены и округлены, низко опущены или приподняты иногда до середины пера. Соотношения втулки и пера от 1:1 до 1:3. Большое многообразие вариантов форм пера, поперечного сечения, соотношений втулки и пера не позволяет выделить подтипы этих наконечников, подробнее их классифицировать.
Наконечники с профилированным пером были распространены на всей территории Литвы и обнаружены в 58 грунтовых и курганных могильниках (карта VI). В погребениях встречаются вместе с шейными гривнами с утолщающимися концами, обмотанными проволокой и законченными петлей и крючком (Мауджёрай, погр. № 92; Рякяте, погр. № 3-4), с торднрованной дужкой с петлей и крючком на концах (Яунейкяй, погр. № 390), с арбалетовиднымн фибулами с длинной подогнутой ножкой и декоративной кнопкой над пружиной (Вершвай, погр. № 122) и без кнопки (Граужяй, погр. № 42; Рякяте, погр. № 35), с длинной ножкой с отлитым зацепом (Вершвай, погр. № 115; Паиишкес, курган № XX; Таурапилис, курган № 1), с кольчатыми фибулами (Рякяте, погр. № 35), с ножкой в виде звериной головы (Яунейкяй, погр. № 390), с треугольной ножкой (Вилькяутинис, курган № 3, погр. № 2), с совообразными (Яунейкяй, погр. № 443), с перекладинами (Яунейкяй, погр. № 413), с булавками с грибовидной головкой (Яунейкяй, погр. № 443), с ленточными браслетами треугольного поперечного сечения с расширяющимися концами (Мауджёрай, погр. № 115; Яунейкяй, погр. № 2), а также с утолщающимися концами (Рякяте, погр. № 35) и с другими вещами V-VII вв. (рис. 14).
Один из наиболее ранних наконечников с профилированным пером найден в могильнике Вершвай, в погребении № 122, вместе с бронзовой арбалетовидной фибулой с подогнутой ножкой и декоративной кнопкой над пружиной, датируемой первой половиной V в., и с другим инвентарем. Погребение № 35 могильника Рякяте с двумя наконечниками копий с профилированным пером, с двумя арбалетовидными фибулами — серебряной кольчатой и бронзовой с подогнутой ножкой, с двумя железными шпорами, с боевым конем со снаряжением и с другими вещами датируется V в. (118, с. 180, рис. 7, 8). В исследованных более крупных могильниках, где обнаружено много наконечников этого типа, встречаются по несколько экземпляров наконечников аналогичной формы, которые можно условно причислить к одному варианту. Например, 6 наконечников из могильника Яунейкяй, из погребений № 390, 396, 413, 415 и 2 случайные находки имеют широкое профилированное перо с двойными плечиками (рис. 13:3). Они 20-30 см длины с пером шириной 4,5—6 см с поперечным сечением в форме вытянутого ромба или линзовидным. Еще один такой наконечник найден случайно в могильнике Пагрибис. Это оружие датируется VI в., потому что обнаружено с вещами того хронологического периода (98, с. 59, рис. 2:5). Кроме упомянутого, к таким вариантам, где найдено по 3—5 наконечников аналогичной формы, можно причислить 3: 1) наконечники с широким опахалообразным пером (3 экз.), 2) наконечники с длинным резко профилированным пером и с короткой втулкой (4 экз.), 3) наконечники с малопрофилированным пером с округленными плечиками (5 экз.) (98, с. 57-59, рис. 2:1-3). Возможно, эти наконечники изготовлены разными оружейниками. Некоторые вышеупомянутые наконечники, похожие или аналогичной формы, являются не только изделиями отдельных оружейников, но и указывают на зародыш подтипов или вариантов, которые дальнейшего развития не получили и шире не распространились.
Последовательное развитие форм наконечников копий II типа на территории Литвы со времени их появления в V в. до исчезновения в конце VII в. проследить нельзя. Они распространились в одно время на всей территории Литвы и приобрели разные формы пера.
Некоторые наконечники с профилированным пером орнаментированы, как например: край пера наконечника из Вороняй (Вильнюсский р-н) украшен рядом точек, втулка у пера и ее конец — парами зигзагообразных и волнистых линий (98, рис. 2:1). Втулки двух наконечников из Вилькяутиниса, из кургана № 2, погребения № 1, и Таурапнлиса, кургана № 1 (рис. 13:1), восьмигранные. Это не только деталь украшения, но и более прочная насадка на древко.
Наконечники с профилированным пером были широко распространены на территории всей Восточной Прибалтики (112, с. 312, рис. 212:3, 5, 213:2, 3; 137, с. 518-519, рис. 78:3, 4, табл. 38:6, 7; 119, с. 157, табл. 39: 12, 21; 184, с. 8, рис. 19, табл. 1 : 10). Обнаруживаются и в Финляндии (166, с. 164-167, рис. 47, 48:6, табл. XXXIII: 4; 101, табл. 37:309, 60:533, 534), известны в Швеции, где чаще всего встречаются на острове Готланд и датируются IV-VII вв. (37, табл. 45:636; 150. табл. 55:594, 595; 152. табл. 58:554-557, 59, 60: 569-572; 166, с. 174). На территории современной Дании наконечники с профилированным пером с округленными плечиками появились уже в III в. (69, с. 14-15, рис. 2-5). Похожее оружие найдено и в Норвегии (75, табл. IV, V).
Самые ранние наконечники этой формы встречаются в Латвии и Дании, где они датируются III в. Поэтому вполне возможно, что наконечники с территории Латвии распространились в соседних землях балтских племен Восточной Прибалтики, а из Дании — и на других североевро-пейских территориях. В Центральной Европе наконечники этой формы появляются около 700 г. н. э. (166, с. 175).





